Ex1)
Resolução
iR1= iR2 = 45/10 = 4,5 A
iR3 = 45/15 = 3A
iR4 = 45/12 = 3,75A
iR5 = 45/5 = 9A
iR6 = 45/7 = 6,43A
![]() |
| Simulador EveryCircuit |
Ex2)
Resolução:
Req = 2,9751 = 2,98Ω
iR1 = iR2 = 45/10 = 4,5A
i = V / Req = 45 / 2,98 = 15,1 A
i1 = i - iR1 = 15,1 - 4,5 = 10,6 A
i2 = i1 - iR2 = 10,6 - 4,5 = 6,13 A
LKT
10 . 4,5 - 6,13 . 5 - VR4 = 0
VR4 = 14,4V
iR4 = 14,4 / 12 = 1,2A
iR5 = 14,4 / 5 = 2,87A
iR6 = 14,4 / 7 = 2,05A
Req = 2,9751Ω
i = V / Req V= i . Req
V = 35 . 2,9751 = 104,12 V
iR1 = iR2 = 104,12 / 10 = 10,4 A
iR3 = 35 - 10,4 - 10,4 = 14,2A
VR4 = -14,2 . 5 + 10 . 10,4 = 33,3 V
iR4 = 33,3 / 12 = 2,77 A
iR5 = 33,3 / 5 = 6,65 A
iR6 = 33,3 / 7 = 4,75 A
i = V / Req V= i . Req
V = 35 . 2,9751 = 104,12 V
iR1 = iR2 = 104,12 / 10 = 10,4 A
iR3 = 35 - 10,4 - 10,4 = 14,2A
VR4 = -14,2 . 5 + 10 . 10,4 = 33,3 V
iR4 = 33,3 / 12 = 2,77 A
iR5 = 33,3 / 5 = 6,65 A
iR6 = 33,3 / 7 = 4,75 A
Ex4)
Resolução:
Req = 12,35Ω
V = 12,35 . 80 = 988V
iR1 = 998 / 50 = 19,8 A
iR3 = i - iR1 = 80 - 19,8 = 60,2 A
LKT 19,76 . 50 - 60,24 . 7 - V = 0
V = 566 V
iR2 = 566 / 22 = 25,7 A
iR4 = 566 / 30 = 18,86 = 18,9 A
V = 81,2 V
iR6 = 81,2 / 19 = 4,27A
iR7 = 81,2 / 10 = 8,12A
iR8 = 81,2 / 25 = 3,25A
Ex5)
Resolução:
Req = 13,4Ω
i = 50 / 13,4 = 3,73 A
iR1 = 50/ 55= 909 mA
iR3 = 3,73 - 0,909 = 2,82 A
VR3 = 2,82 . 12 = 33,84V
LKT
VR2 = - 33,84 + 0,909 . 55 = 16,1V
iR2 = 16,1 / 10 = 1,61A
iR5 = 3,73 - 0,909 -2,82 -0,733 -1,61 = 0,475 = 475A
LKT
10 . 1,61 - 31 . 0,475 - VR6 = 0
VR6 = 1,4 V
iR7 = 1,4 / 10 = 140 mA
iR8 = 1,4 / 5 = 280 mA
![]() |
| Simulador EveryCircuit |
Ex6)
Resolução:
iR1 = iR2 = iR... 200 / 550 = 0,364 A = 364 mA
![]() |
| Simulador EveryCircuit |
Ex7)
Resolução:
iR1 = 40 / 12 = 3,3333... A
iR2 = 0 A
iR3 = 40 / 25 = 1,6 A
Ex8)
Resolução:
Divisor de corrente
Corrente procurada
i = (Corrente da fonte x corrente no resistor que eu não quero) / (resistor que não quero + resistor que eu quero)
iR2 = ( -50 . 25) / (25 + 12) = - 33,78 = - 33,8 A
iR1 = (- 50 . 12) / (12 + 25) = - 16,22 A
![]() |
| Simulador EveryCircuit |
Ex9)
Resolução:
Divisor de corrente para fonte de 12V
iR2 = 12 / 15 = 0,8A
iR4 = 12 / 19 = 0,631A
Para fonte de 50A com resistor de 25Ω e 12Ω o método por divisor de corrente já não se aplica, o mais adequado seria usar o método da análise de malhas ou um outro qualquer.
![]() |
| Simulador EveryCircuit |
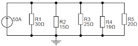
Ex10)
Resolução:
Req = 4,12Ω
i = V / Req V = i . Req = 50 . 4,12 = 206V
iR1 = 206 / 30 = 6,87A
iR2 = 206 / 15 = 13,7A
iR3 = 206 / 25 = 8,24A
iR4 = 206 / 19 = 10,8A
iR5 = 206 / 20 = 10,3A
![]() |
| Simulador EveryCircuit |
Ex11)
Resolução:
Req = 16 + (6 . 12 / (6+12)) = 20Ω
Divisor de corrente
Corrente procurada
Corrente i = (fonte corrente x res que eu não quero) / (res que eu não quero + res que eu quero)
iR1 = 30. 20 / (20+5) = 24A
iR2 = 30 . 5 / (5+20) = 6A
iR3 = 6 . 12 / (6+12) = 2A
iR = 6 . 6 / (12+6) = 4A
Obs: No resistor de 6Ω e 12Ω só possível aplicar o divisor de corrente se for um fonte isolada com apenas uma fonte corrente ou tensão, caso contrário é preciso usar outro método.
![]() |
| Simulador Proteus 8.6 |
Palavras chave:
Vermogensverdeler
Kragverdeler
Leistungsteiler
مقسم الطاقة
Power divider
бягучы Дзельнік
Разделител на мощността
Wopatula mphamvu
功率分配器
Razdjelnik snage
מחלק כוח
Vermogensverdeler
Power divider
Güç bölücü



























