a) os valores das fontes como mostrado,
b) os valores das fontes divididos por 2 e
c) os valores multiplicados por 2. Note como o principio da proporcionalidade se aplica em (b) e (c)..
Resposta: (a) V1=8V, V2=8V e V3=28V, (b) V1=2V, V2=4V e V3=14V, (a) V1=8V, V2=16V e V3=56V.
![]() |
| Circuito elaborado no site http://everycircuit.com/ |
2) Calcule v e i usando o princípio da proporcionalidade. Resposta: V=8V, i=3A
Resolução:
Chute V1= 16 V
i1 = 16/8 = 2A
V= 2 . 4= 8V
LKT
16 + 8 - V2 = 0
V2 = 24V
i2 = 24/24 = 1A
i = 1 + 2 = 3A
V3 = 3 . 4 = 12V
LKT
24 + 12 - V4 = 0
V4 = 36V
i3 = 36/4 = 9A
iTotal = 9 + 3 = 12A
Proporção
K = REAL / CHUTE
K = 12 / 12 = 1
1 = iReal / 3
i = 3 . 1 = 3A
1 = i1 real / 2
i1 real = 2A
Vreal = i1 . 4 = 2 . 4 = 8V
3) Usando superposição, calcule v no circuito abaixo. Resposta: v=20V.
![]() |
| Circuito feito no site http://everycircuit.com/ |
4) Usando superposição, calcule i e v no circuito abaixo. Resposta: 3A e 4V.
Analisando p/ fonte de tensão
![]() |
| Circuito elaborado no site easyeda.com |
14 = (4+6)i'
i' = 1,4A
V' = - 4 . 1,4 = - 5,6V
Analisando p/ fonte de corrente
![]() |
| Circuito elaborado no site easyeda.com |
Req = (4 . 6) / (4+ 6) = 2,4 Ω
V = 2,4 . 4 = 9,6 V
i'' = 9,6 / 6 = 1,6A
Portanto a corrente i será a soma de cada parcela
i = i' + i'' = 1,4 + 1,6 = 3A
V = V' + V'' = - 5,6 + 9,6 = 4V
![]() |
| Circuito feito no site http://everycircuit.com/ |
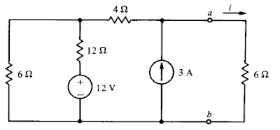
5) Substitua o circuito á esquerda dos terminais a-b pelo seu circuito equivalente de Thévenin e use este resultado para calcular i. Resposta: Voc=9V, Rth=3Ω, i=1A.
Para Rth:
Rth = (4 . 12)/ 4+12 = 3Ω
Para Voc:
Por superposição: Para fonte de 8V
Voc1 = (12 . 8) / 4 + 12 = 6V
Para fonte de 1A
4 // 12
Req = (4 . 12) / 4 + 12 = 3Ω
Voc2 = 3 . 1 = 3V
Logo;
Voc = Voc1 + Voc2 = 6 + 3 = 9V
Para i
i = Voc / (Rth + 6) = 9 / (3 + 6) = 1A
6) Substitua o circuito acima, exceto a fonte de 1A, pelo seu circuito equivalente de Thévenin e use o resultado para calcular v1. Resposta: voc=4V, Rth=2Ω, v1=6V.
Resolução:
Para Rth
1/ Rth = 1/4 + 1/12 + 1/6
Rth = 2Ω
Para Voc:
Req = (12 . 6) / 12 + 6= 4Ω
LKT
- 8 + 4i + 4i = 0
i = 1A
Voc = 4 . 1= 4V
Para V1
LKT
- V1 + 2 . 1 + 4 = 0
V1 = 6V
7) Substitua o circuito do exercício 5, exceto o resistor de 4Ω , pelo seu circuito equivalente de Norton e use o resultado para calcular v2. Resposta: isc=-1A, Rth=4Ω, v2=-2V.
Resolução:
Para Rth
Rth = 4Ω
Para isc
Req = (12 . 6) / 12+ 6= 4Ω
Para fonte de 8V
LKT
8 + 4isc1 = 0
isc1 = - 2A
Voc = 4 . 1= 4V
Para fonte de 1A
isc2 = 1A
Logo; isc = isc1 + isc2 = - 1A
8) Calcule a potência entregue a R quando
a) R = 6Ω,
b) R=2Ω e
c) quando R recebe a potência máxima.
Resposta: (a) 15,36W; (b) 14,22W; (c) 16W quando R=4Ω
Resolução:
Para Rth
Rth = (3 . 6) / (3 + 6 ) = 4Ω
Para isc da fonte de 12 V
Req = (6 . 2 ) / 6 + 2 = 1,5Ω
Divisor de tensão
V = (1,5 . 12) / (1,5 + 3) = 4V
isc1 = 4 / 2= 2A
Para fonte de 2A
Req = 3 . 6 / (3 + 6) = 2
isc2 = 2A
Logo;
isc = isc1 + isc2 = 2 + 2 = 4A
Req = (Rth . 6 )/ Rth + 6 = (4 . 6) / (4 + 6) = 2,4Ω
V = 2,4 . 4 = 9,6 V
P = V . i
P = V . V / R = (9,6 . 9,6) / 6 = 15,36W
9) Mostre que os dois circuitos abaixo são equivalentes, vistos pelos terminais a-b, e calcule a potência dissipada no resistor de 4Ω, em cada caso. Resposta (a) 9W; (b) 1W
a)
Para Rth
Rth = 4Ω
Como Rth = 4Ω em 'a' e 'b', temos que os circuitos são equivalente
Por divisor de corrente
i1 = (12 . 2) / 4 + 12 = 1,5A
P= V . i
P = R . i . i = 4 . 1,5 . 1,5 = 9W
b)
Rth = 4Ω
V = ( 4 . 8) / 4 + 12= 2V
P = V.V / R = (2 . 2) / 4 = 1 W
10) Calcule i, v1 e v2 usando a propriedade da proporcionalidade.
Resolução:
CHUTE i2 = 1/2A
V3= 1/2 . 6 = 3V
V2= 1/2 . 8 = 4V
i1 = 1/2 A
Divisor de corrente em II
i4 = ( (1/2 . 8) + 6/2 ) ) / 84 = 1/12 A
i3 = i2 + i4 = 1/2 + 1/12 = 7/12 A
Divisor de corrente em III
i5 = ( 84 . 1/12 ) / 24 = 7/24 A
i6 = i3 + i5 = 7/12 + 7/24 = 7/8 A
V6 = 7/8 . 12 = 10,5V
LKT em III
V5 + V6 - V1 = 0
24 . 7/84 + 10,5 = V1
V1 = 17,5V
i7 = 17,5 / 20 = 0,875 A
i = i6 + i7 = 7/8 + 0,875 = 1,75 A
V7 = 1,75 . 2 = 3,5V
k = REAL / CHUTE
i = (1,75) / (1/2) = 3,5 A
Calculo de i2
i2 = REAL / CHUTE
1/2 = i2REAL / 1/2
i2 Real = (1/2) / (1/2) = 1 A
V1 = V1REAL / CHUTE = 17,5 / (1/2) = 35V
V2 = 1 . 8 = 8V
![]() |
| Circuito elaboraborado por everycircuit.com/ |
11) Calcule i1 e i2 usando a propriedade da proporcionalidade. (Sugestão: faça i2=1mA, e trabalhe em direção à fonte). Resposta: i1=4mA e i2=1mA
![]() |
| Circuito elaborado no site http://everycircuit.com/ |
12) Use o principio da proporcionalidade para encontrar v2. Resposta v2 = -200V
13) Calcule V usando superposição. Resposta v = 24V.
Resolução:
Para fonte de 8V
Para fonte de 8mA
Divisor de corrente
i1 = 8.4 / (12+8+4) = 1,333... mA
i2 = 8.20 / (20+4) = 6,666...mA
Σ das correntes
i = -1,333 + 0,333 = 1mA
i2 = 8 - 1 = 7 mA
Para fonte de 2mA
i2 = -2.12/ (12+12) = -1mA
i1 = i2 = 1mA
Σ das correntes para fonte de 8V e 2mA
i = -1 - 1 = -2mA
i = 7 - 1 = 6mA
V = 6 . 4 = 24V
14) Calcule v usando superposição se R = 2Ω. Resposta 8V
Resolução:
Situação 1
Divisor de corrente:
Iy = 2 . 6 / (2 + 4) = 2A
V1 = 3. Iy . 6 / (3 + 6) = 4V
Situação 2
(3 + V2) / 2 = - V2/6 - V2/4
12 + 4V2 = - 2V2 + 3V2
V2 = - 12/9 = - 4/3 V
Situação 3
LKT
16 = 2 . V3 / 2 + V3 + 2 . V3/2
16 = 3V3
V3 = 16/3V
Portanto
V = V1 + V2 + V3
V = 4 - 4/3 + 16/3 = 4 + 12/3 = 8V
15) Calcule a potência máxima que pode ser entregue ao resistor R do circuito no exercício 14.
Resolução:
P/ Rht
Rth = 3 . 6 / (3+6) ] +2 = 4Ω
Para isc
i1 = -6A
LKT em i3 6(i3 - i2) + 2i3 + 16 = 0 (1)
LKT em i2 3i2 + 3+ 6(i2 - i3) = 0 (2)
i1 = - 6A
i2 = - 10/3A
isc = i1 - i3 = - 6 + 9/2 = -1,5A
i3 = - 9/2A
Por divisor de corrente
i = Rth . isc / Rth + Rth = 4(-1,5) / (4+4) = - 0,75A
P = 4 . (-0,75 . -0,75) = 2,25W
16) Calcule i usando superposição. sugestão :(Calcule i1 e i2). Resposta 6A
17) Substitua o circuito a esquerda dos terminais a - b pelo seu equivalente de Thévenin e use este resultado para calcular i. Resposta: Vco = 28V , Rth = 8Ω , i = 2A.
Resolução:
P/ Rth
Rth = (6 . 12) / 6 + 12) = 8Ω
P/ Voc
Para fonte de 12V:
Por divisor de tensão
Voc1 = 6 . 12 / (6 + 12) = 4V
Para fonte de 3A
Req = 6 . 12 / (6 + 12) = 4Ω
Voc2 = (4 + 4)3 = 24V
Logo; Voc = Voc1 + Voc2 = 4 + 24 = 28V
i = Voc / (Rth + 6) = 28 / (8+6) = 2A
18) Substitua o circuito do exercício 17 , exceto o resistor de 4Ω pelo seu equivalente de Thévenin e use este resultado para calcular a potência entregue pelo resistor de 4Ω. Resposta Vco = 14V , Rth=10 Ω , P = 4W.
Resolução:
Para Rth
Rth = [(6 . 12) / (6+12 ) ] +6 = 10Ω
Para Voc da fonte de 12V
Por divisor de tensão
Voc1= (6 . 12) / 6+12 = 4V
Para fonte de 3A
Voc2 = 6 . 3 = 18V
Logo;
Voc = Voc1 + Voc2 = - 4 + 18 = 14V
i = Voc / (Rth + 4) = 14 / (10 + 4) = 1A
P = V . i 2= 4 . 12 = 4W
19) Calcule v pela substituição de tudo, menos o resistor de 4Ω, pelo seu equivalente de Théveni. Resposta : v= 2V.
Resolução:
P/ Rht
Rth = 6 + 2 = 8Ω
P/ fonte de 4A
Voc1 = 6 . 4 = 24V
P/ fonte de 15A
Voc2 = 2 . 15 = 30V
P/ fonte de 6A
Voc3 = 8 . 6 = 48V
Logo; Voc + 24 + 30 -48 = 0
Voc = 6V
Por divisor de tensão:
v = 4 . Voc / (4 + Rth) = 4 . 6 / (4 + 8) = 2V
20) Calcule o equivalente de Norton, do circuito á esquerda dos terminais a - b, e use o resultado para calcular i. Resposta: isc = 2,9A , Rth = 5Ω , i = 1A.
Resolução:
P/ Rht
Req1 = 30 . 6 / (30 + 6) = 5Ω
Rth =[5 + 5].10 / ( 5+ 5 + 10) = 5Ω
P/ isc
LKT em i1 : -24 + 30(i1 - i2) + 6(i1 - i3) = 0
LKT em i2 : 10i2 + 5(i2 - i3) + 30(i2 - i1) = 0
LKT em i3 : 5(i3 - i2) + 6(i3 - i1) = 0
i1 = 47/15 A , i2 = 12/5 A , i3 = 14/5 A
isc = i3 = 2,8A
Por divisor de corrente
i = Rth . isc / (9 + Rth) = (5 . 2,8) / 5+9 = 1A
21) Calcule o equivalente de Norton, do circuito á esquerda dos terminais a -b, e use o resultado para calcular v.
Resolução:
P/ Rht
Rht = 5 + [ 30 . 6 / (30 + 6)] = 10Ω
Para isc
i1 = 3A
LKT em i2 : 20i2 + 6(i2 - i3) + 10(i2 - i1) = 0
LKT em i3 : 5(i3 - i1) + 6(i3 - i2) = 0
i2 = 7/6A , i3 = 2A , isc = i3 = 2A
Por divisor de corrente
i = Rth . isc / (30 + Rth) = 10 . 2 / (30 + 10) = 0,5A
v = 30 . 0,5 = 15V
22) Calcule o equivalente de Thévenin do circuito externo ao resistor de 4Ω e use o resultado para calcular i. Resposta: Voc = - 70V, Rth = 16Ω, i = - 3,5A.
Resolução:
P/ Rth
Rth = (10 . 10) / (40+10) = 16Ω
Voc = -7V,
i = -3,5A
P/ isc
LKT em i1 : 10(i1 - i3) + 24i1 = 0
LKT em i2 : 40(i2 - i3) + 12i2 = 0
LKT em i3 : -150 + 40(i3 - i2) + 10(i3 - i1)= 0
i1 = 65/24 A , i2 = 85/12 A , i3 = 221 / 24
isc = i1 - i2 = 65/24 - 85/12 = - 35/8A
Voc = Rht . isc = 16 . (-35/8) = - 70 V
i = Voc / (Rht + 4) = - 70 / (16 + 4) = - 3,5A
23) Calcule o valor de R que irá retirar a potência máxima do restante do circuito. Calcule também a potência máxima.
Resolução:
Rth = 4 + 6= 10Ω
Para isc
i1 = 2A
i2 - i3 = 3 (1)
LKT em ABCD
4i2 + 6i3 + 10 = 0 (2)
i1= 2A
i2 = 4/5 A
isc = i1 - i2 = 2 - 4/5 = 1,2 A
i3= - 11/5A
Por divisor de corrente
i = Rth . isc / (Rth + Rth) = 10 . 1,2 / (10 + 10) = 0,6A
P= R . i . i = 10 . 0,6 . 0,6 = 3,6W
24) Calcule a potência máxima que pode ser entregue a R se
(a) R= 12Ω e
b) R= 30Ω

























































































